您好!欢迎进入潺林电子官网!

新浪微博|腾讯微博|收藏本站|网站地图

0769-22487520
13066948787

新闻中心

联系我们

官方服务专线0769-22487520

地址:东莞市南城区莞太路丝绸大厦12楼
联系人:李小姐
电话:13066948787
传真:
邮箱:lixiulian@chanlin-ele.com

行业新闻

当前位置:首页 >> 新闻中心 >> 行业新闻

欧姆龙温度传感器的使用方法及原理

文章来源: 东莞市潺林电子有限公司人气:3613发表时间:2017-09-19 14:38:33

1.温度传感器计测原理

   欧姆龙MEMS 温度传感器充分利用了根据2 种金属接点之间的温度差,生成热电动势的塞贝克效应。
   其结构为串联连接以n 型Poly Si、p 型Poly Si 与Al 为材料的热电偶,形成热电堆(热电偶串)。在热绝缘性良好的介质薄膜上形成热接点,在热传导性良好的硅上形成冷接点,从而实现高速响应,可获取高能量转换效率(红外线-温度-热电动势)。(图1)

2.通信方法

外观图

电气连接1
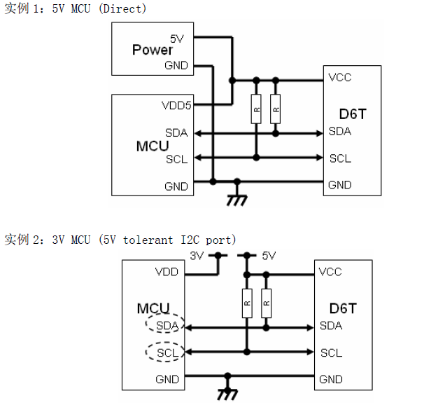
使用5V 及3V 电源时的连接实例


电气连接2

3.温度传感器的视角
以改变传感器角度时的最大传感器输出为标准,将可获取该标准50%以上传感器输出的
角度范围定义为该Pixel 的视角。
将各Pixel 的最大传感器输出时的角度与光轴的角度差定义为中心角。

4.温度检测距离与范围
传感器检测目标区域的平均温度,检测温度随对象物体的接近而增高。

5.人体温度检测示意图(1x8 array)
可准确无误地检测地面温度与人体、物体温度。
即使有人存在,也能够准确无误地检测地面温度。

6.人体温度检测示意图(4x4 array)
4x4 单元传感器输出各要素的16 种合计温度值。有人存在时,检测到的温度比较高。

7.人体检测示意图(4x4 元件)
热图像可用于更加准确的人体、物体检测。
右下方的图表示根据4x4 元件的16 种温度输出计算得出的热图像实例。

8.人体检测的差异
在人体检测方面,欧姆龙温度传感器比传统的热电传感器更具优势。
与欧姆龙温度传感器能够检测人体(物质)的存在相比,热电传感器只能检测温度变化。
因此,当人体静止时,热电传感器便失去了信号,而温度传感器始终保持可检测人体的
状态。